S2000 Electronics Information and discussion related to S2000 electronics such as ICE, GPS, and alarms.

Passenger window goes down but not up

Thread Tools
 
Old Mar 17, 2022 | 02:33 PM
  #1  
bluexcrush's Avatar
Thread Starter
15 Year Member
 
Joined: Mar 2008
Posts: 28
Likes: 0
Default [UPDATE] Root Cause - Passenger window goes down but not up

Hi,

I searched on a couple of forums and only found one user on honda-tech that had this problem, but it was unresolved.

When I press on the window down button for both driver & passenger side switch, I hear a distinctive click and the passenger window goes down. However, when I do the same for window up, I don't hear a click and the window does not move at all. I've checked the window lock switch and it's not that. No issues with the drive side window.

Referencing the manual:
1. Faulty driver or passenger's window switch - tested, not the problem
2. Blown No. 18 (20 A) f use in the under-dash fuse/relay box - tested - replaced the passenger window fuse underneath the dash, not the problem
3. Faulty passenger's window motor- tested, not the problem
4. Faulty convertible top control unit - most likely
5. Poor ground (G501)
6. An open in the wire

Wondering if anyone else had this issue before?

Thanks in advance,

blue

--------------------------------------------------------
[UPDATE]

Hi,

Wanted to give an update after 3 years in hopes that it might help fellow s2ki members. After a ton of headache and 2 blown driver-side window switches , I believe the issue was the result of a defective wiper motor.

Replacement window switch worked for 2 months until all windows/soft-top and wipers stopped working. Checked the under dash fuse box and the wiper fuse was blown, replaced it, blown again. After some research, I realized that the wiper motor was causing the issue. I disconnected the wiper motor and now windows/soft-top works again, except the passenger side window will not go up anymore, same as my original situation.

I opened up both the driver-side window switches and the internals had the same blown connection for pin-9 (pictured below). This leads me to believe that the defective (now blown) wiper motor caused a short in the connection which fried the switches. Why did Honda put the wiper & windows on the same connection?? and why didn't the window fuses blow? Both were 20a fuses.

Now, in order to find a permanent fix for the situation, I'm turning the s2ki experts:
1. Can I solder this connection to fix the issue? There are no other visible damages to the board.
2. Can a defective / blown wiper motor cause damage to the window switches? Not sure why the window fuses didn't blow to protect the switches.

Thanks so much.

Blue


Last edited by bluexcrush; Jun 3, 2025 at 06:43 PM. Reason: cleaning up first post with root cause for future reference
Reply
Old Mar 17, 2022 | 07:26 PM
  #2  
Car Analogy's Avatar
10 Year Member
Photogenic
Photoriffic
 
Joined: Aug 2012
Posts: 8,751
Likes: 1,856
Default

What test did you use to rule out the switch itself?
Reply
Old Mar 19, 2022 | 11:21 PM
  #3  
Iyan112's Avatar
Registered User
 
Joined: Oct 2019
Posts: 229
Likes: 58
Default

Is it currently stuck down or did you manage to get the window to go back up? You can pull the door panel and manually jump the window motor to see if the window would go up. There is no separate fuse that I know of for window up. Of fuse is blown, window won’t work at all.
Reply
Old Mar 22, 2022 | 12:55 PM
  #4  
bluexcrush's Avatar
Thread Starter
15 Year Member
 
Joined: Mar 2008
Posts: 28
Likes: 0
Default

I replaced both the switches and the problem persist.
1. New driver side switch can raise/lower driver side window, but can only lower passenger side window
2. New passenger side switch cannot raise/lower passenger side window

Would a blown fuse cause this issue? I'm starting to think this is either a wiring issue or a fault motor.

Thanks!
Reply
Old Mar 22, 2022 | 02:22 PM
  #5  
bluexcrush's Avatar
Thread Starter
15 Year Member
 
Joined: Mar 2008
Posts: 28
Likes: 0
Default

Great suggestion, I managed to get it back up with a 12v battery hooked up to the motor. So it's not the motor.

One strange thing that I noticed is that there is a click on the passenger side dash when I press down on the driver side switch to roll down the passenger side window. However, I don't hear this click when I pull up on the driver side switch for the passenger side window.

Is there a relay or another motor that controls the passenger side window near where the front passenger airbags are?

Note: convertible controls are fine and the top goes up/down without issues
Reply
Old Mar 22, 2022 | 02:37 PM
  #6  
Chuck S's Avatar
Member (Premium)
10 Year Member
Liked
Loved
Community Favorite
 
Joined: Jul 2014
Posts: 13,826
Likes: 1,548
From: Chesterfield VA
Default

New switches made it worse? There are separate 20a fuses for the windows but they seem to control all the power to that switch, not just Up or Down.

Troubleshooting the power windows starts on page 22-219 of the Service Manual. <--- that's a link. (Down the whole manual to your PC, only takes seconds.)

-- Chuck
Reply
Old Mar 22, 2022 | 02:53 PM
  #7  
bluexcrush's Avatar
Thread Starter
15 Year Member
 
Joined: Mar 2008
Posts: 28
Likes: 0
Default

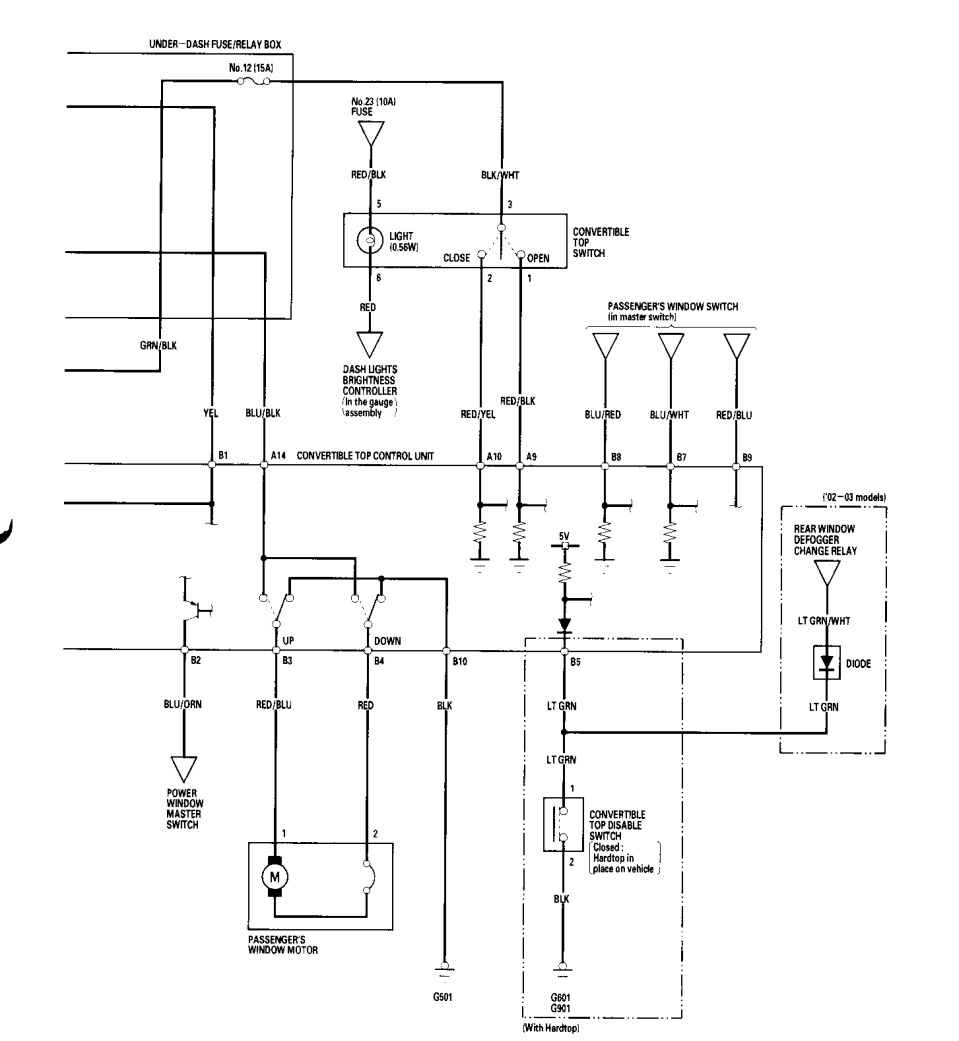
Looking at the diagram below "PASSENGER'S WINDOW MOTOR", it looks like up/down is controlled by 2 connectors that are attached to A14 (CONVERTIBLE TOP CONTROL UNIT). I wonder if there's a fault with the unit or with the wiring that connects to it.

Reply

Trending Topics

Old Mar 22, 2022 | 02:54 PM
  #8  
bluexcrush's Avatar
Thread Starter
15 Year Member
 
Joined: Mar 2008
Posts: 28
Likes: 0
Default

Hey Chuck,

Thanks for the reply. Apologies for the confusion, new switches didn't fix the problem / no change.

Looking at the wiring diagram, I changed both the fuses for driver and passenger, but it didn't fix the problem.

Appreciate the link! I have a copy already.

blue

EDIT: I found your old post Chuck. Any advice on how to test the soft top control module? Pg 22-144 of the manual that Chuck had linked.
https://www.s2ki.com/forums/californ.../#post24783632
Reply
Old Jun 3, 2025 | 06:36 PM
  #9  
bluexcrush's Avatar
Thread Starter
15 Year Member
 
Joined: Mar 2008
Posts: 28
Likes: 0
Default

Hi,

Wanted to give an update after 3 years in hopes that it might help fellow s2ki members. After a ton of headache and 2 blown driver-side window switches , I believe the issue was the result of a defective wiper motor.

Replacement window switch worked for 2 months until all windows/soft-top and wipers stopped working. Checked the under dash fuse box and the wiper fuse was blown, replaced it, blown again. After some research, I realized that the wiper motor was causing the issue. I disconnected the wiper motor and now windows/soft-top works again, except the passenger side window will not go up anymore, same as my original situation.

I opened up both the driver-side window switches and the internals had the same blown connection for pin-9 (pictured below). This leads me to believe that the defective (now blown) wiper motor caused a short in the connection which fried the switches. Why did Honda put the wiper & windows on the same connection?? and why didn't the window fuses blow? Both were 20a fuses.

Now, in order to find a permanent fix for the situation, I'm turning the s2ki experts:
1. Can I solder this connection to fix the issue? There are no other visible damages to the board.
2. Can a defective / blown wiper motor cause damage to the window switches? Not sure why the window fuses didn't blow to protect the switches.

Thanks so much.

Blue
Reply
Old Jun 3, 2025 | 06:37 PM
  #10  
bluexcrush's Avatar
Thread Starter
15 Year Member
 
Joined: Mar 2008
Posts: 28
Likes: 0
Default

blown pin-9 on window switch
blown pin-9 on window switch
Reply



All times are GMT -8. The time now is 09:39 AM.